對稱度作為幾何公差中的一項重要指標,用于控制被測要素相對于基準要素的對稱分布程度,廣泛應用于高精度機械制造、裝配定位及功能互換性設計中。

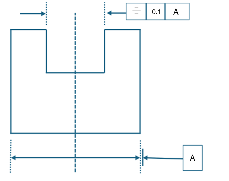
測量圖紙要求

實際測量情況圖
對稱度的測量與計算方法基本上跟單方向的位置度一樣,都是2*(理論值-實測值),但此公差特征沒有理論值或為零。
其基準要素要求必須是直線或平面,不可使用點型元素(如點、圓、球)作為直接基準。
在一些三坐標測量中,被測要素相對于圓心對稱,評價時,應將坐標系原點平移至圓心,構建經過圓心的軸線或坐標平面作為基準進行評價。
傳統評定方式若是兩個要素,先選兩個被測要素再選基準進行評價;
若是兩個或多個要素,也可構造特征組作為被測要素進行評價;
點型元素只能通過構造特征組方式進行評價。
當選擇“中位點”時,被測要素是寬度;
當選擇“軸”時,被測要素可以是寬度、中分面、中分線、中點,但要確保所有考量特征名義上與基準參考坐標系對稱。
自 業界熟知三坐標軟件PC-DMIS 2020 R2 版本起,軟件已取消對“平面對、線對、點對、集合對”等舊有形式的支持,轉而推薦使用“寬度”特征進行對稱度評價。
除了以上兩種方法外,還可以使用賦值計算。
例如,圖中將X坐標平移A基準,然后賦值被測元素的X軸偏差*2即可。

隨著PC-DMIS三坐標軟件版本升級,對稱度評定已轉向“寬度”特征為主的標準化方法。準確測量不僅依賴軟件操作,更需穩定的硬件支持。思瑞測量三坐標測量機標配正版PC-DMIS,軟硬件協同運作,助力高效完成對稱度等公差評估。
返回頂部